English
首页
(current)
关于杜威
新闻资讯
产品中心
传感器
仪器仪表
物联网
工业互联网
医疗净化
智能家居
应用案例
下载中心
联系我们
当前位置:
首页
产品中心
差压仪表,
___
产品中心
Product
差压仪表
压力仪表
液位仪表
流量仪表
温度仪表
温湿度仪表
风速/风量仪表
差压仪表
压力仪表
液位仪表
查看更多
流量仪表
温度仪表
温湿度仪表
风速/风量仪表
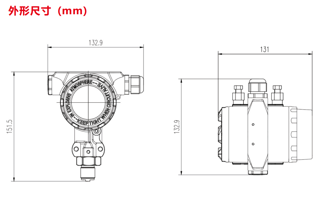
DW8081差压变送器
DW8081差压变送器用于测量液体或气体的不同引压点的差压,然后将其转变成 4~20mADC 输出,叠加 HART 通讯协议。
购买询价
在线咨询
文件下载
技术参数
型号表
下载
技术参数
型号表
下载
产品说明
DW8081差压变送器.pdf